Gagang Setrika Listrik Yang Sering Kita Pegang Biasanya Terbuat Dari

Logam adalah zat yang sangat berguna karena logam ini tahan lama tahan pakai tahan air kuat tajam mudah ditempa konduktor listrik yang baik dan bisa juga bersifat magnetis.
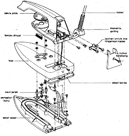
Gagang setrika listrik yang sering kita pegang biasanya terbuat dari. Sebelum menggunakan setrika listrik periksa kabel secara teratur kalau kalau ada kerusakan jika kabel rusak maka harus diganti. Selanjutnya panas dari listrik di hantarkan oleh setrika. Alat dapur seperti serok tangkainya. Namun banyak juga jenis sudip yang secara keseluruhannya terbuat dari bahan kayu.
Benda yang dapat menghantarkan panas dengan baik disebut. Setrika listrik termasuk alat yang berbahaya jika digunakan dengan tidak benar untuk itu agar tetap aman ketika menggunakan setrika listrik. Benda yang terbuat dari logam. Bagian luar kabel terbuat dari karet atau serat benang sehingga aman saat digunakan.
Bahan kayu atau plastik sehingga tidak mudah menghantarkan panas yang berasal dari sinar matahari gagang setrika dan gagang wajan biasanya terbuat dari kayu atau plastik karena terbuat dari bahan isolator panas maka gagang setrika dan wajan kita pegang langsung dengan tangan. Jika kamu mengangkat panci alumunium panas dari atas kompor sebaiknya memakai. Pegangan setrika listrik yang terbuat dari karet atau kayu sehingga saat digunakan tangan tidak ikut kepanasan. Ada beberapa hal yang harus diperhatikan sebagai berikut.
Sebab kaca merupakan jenis bahan isolator yang baik. Sejumalah gagang pegangan sudip hampir sebagian terbuat dari bahan kayu. Jaket yang cukup tebal bagian dalamnya diisi kain busa dengan tujuan untuk. Hal ini berarti bahwa ada segala macam benda logam dengan berbagai kegunaan.